得技通电子

设为首页  加入收藏

热线电话

0755-83681104

0755-8681644

首页 关于我们 新闻动态 产品中心 在线订购 在线留言 联系我们
   当前位置:首页 >> YAMAICHI 测试座/插座封装分类 >> YAMAICHI-LCC           PDF资料下载
封装分类
相关产品
最新下载
暂无
相关知识
YAMAICHI公司简介
厂家分类
相关产品
返回首页

YAMAICHI LCC封装测试座/老化座LCC Test &Burn-in socket

SpecificationsLCC封装测试座/老化座 Part Number (Details)Futher LCC versions are also available.
Please contact Yamaichi for morelcc
Insulation Resistance: 10,000MΩ min. at 100V DC
Withstanding Voltage: /00V AC for 1 minute
Contact Resistance: 30mΩ max. at 10mA/20mV max.
Current Resistance: 1A max.
Operating Temp.Range: –40°C to +150°C
Mating Cycles: 10,000 insertions min.lcc


information44 pins IC51-0684-498
IC-498 AC.17408
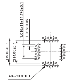
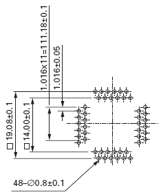
lcc44 pins IC53-0484-100

lcc

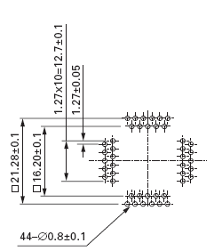
Recommended PCB Layouts  
44 pins IC53-0444-306lcc

lcc

产品型号
(Part Number)
间距
(Pitch)
引脚数量
(PinCount)
IC尺寸(IC Dimensions)
Contact
Position
Socket
Material
(W)
(L)
(T)
IC53-0484-100
1.016 (40 mil)
48
14.03 ~ 14.52
14.03 ~ 14.52
1.52 ~ 2.12
13.2 x 13.2
PSF
1.27mm Pitch
IC53-0444-306
1.27
44
16.31 ~ 16.71
16.31 ~ 16.71
2.50 ~ 3.20
15.4 x 15.4
PES
IC51-0684-498
1.27
68
23.88 ~ 24.38
23.88 ~ 24.38
1.27 ~ 1.77
23.0 ~ 23.0
PES
IC51 498 AC-17402
1.27
68
23.88 ~ 24.38
23.88 ~ 24.38
2.27 ~ 2.80
23.0 ~ 23.0
PES

↑Top


深圳得技通电子有限公司 版权所有  
 Email:        sale3-djt@aaa.cn
联系电话: 0755-83681104      0755- 83681644 传真: 0755-83681644
粤ICP备09055445号-3