得技通电子

设为首页  加入收藏

热线电话

0755-83681104

0755-8681644

首页 关于我们 新闻动态 产品中心 在线订购 在线留言 联系我们
当前位置:首页 >> YAMAICHI 测试座/插座封装分类 >> YAMAICHI-SBGA           PDF资料下载
封装分类
相关产品
最新下载
暂无
相关知识
厂家分类
相关产品
返回首页

 



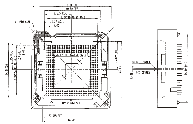
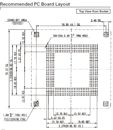
  NP396 Series (Open Top) Shrink Ball Grid Array (1.27mm Pitch)
   
Specifications Part Number (Details)

Insulation Resistance:1,000MW min. at 100V DC
Dielectric Withstanding Voltage:100V AC for 1 minute
Contact Resistance:30mW max. at 10mA/20mV max.
Operating Temperature Range:–55°C to +150°C
                                                         –40°C to +170°C
Contact Force:13g per pin approx.
Operationg Force:3.2 Kg
Mating Cycles:10,000 insetions
SBGA
Features
Open top type sockets for BGA packages
íCoverless shrink version
í2-point Tweezer Contact System
SBGA
SBGA
     
SBGASBGA
↑Top


深圳得技通电子有限公司 版权所有  
 Email:        sale3-djt@aaa.cn
联系电话: 0755-83681104      0755- 83681644 传真: 0755-83681644
粤ICP备09055445号-3