得技通电子

设为首页  加入收藏

热线电话

0755-83681104

0755-83681644

0755-83681447

首页 关于我们 新闻动态 产品中心 在线订购 在线留言 联系我们
   当前位置:首页 >> Plastronics测试座 >> PLCC 测试插座/老化测试座
          PLASTRONICS产品
封装分类
 相关产品
PLASTRONICS 最新新闻
暂无
PLASTRONICS 最新下载
暂无
相关知识
返回首页

PLASTRONICS PLCC封装测试座/老化座PLCC Test &Burn-in socke

Plastic Leaded Chip Carrier(PLCC) Sockets
PRODUCT FEATURES:Higher Normal Force
The new P7000 Contact provides and average of 64 grams normal force at 125. This should be enough to break through most oxide buildups and ensure excellent electrical interface.

Lower Cap Compression Force
This is the result of the unique geometry of the cap contact-camming surfaces.

High Temperature Contacts
The new P7000 Contact will take 290 continuous and latch-up spikes up to 350.

MATERIAL SPECIFICATIONS:

Contacts
Material: S.S., Full Hard (Beryllium-Copper optional)
Plating: 100n Nickel / Boron
Temperature Rating: 290 continuous, 350 latch-up spike
Solder Tail Section: 0.40 [0.016] x 0.20 [0.008] - 7000 series
0.64 [0.025] x 0.20 [0.008] - 2700 / 2000 series Solder Tail Length: 2.92 [0.115]

Plastic Parts
Material: 40% Glass-Filled PPS
Temperature Rating: 175 Continuous
Insulation Resistance: 1x1013 Ohms / Mil

Coil Springs
Material: Passivated S.S.
Spring Rate: 4.8 lbs / in [0.086 kg / mm]
Temperature Rating: 290 Continuous

Rivets
Material: Brass, Nickel Plated
Temperature Rating: 175 Continuous

Normal Force
Range To Be Expected: 56-87 Grams/Contact

Life Cycling
Life To Be Expected: 5,000 Cycles

Cap Compression
Depends on Pin Count (Available By Request)

Electrical Tests
Resistance (Ambient): Less Than 10 MilliOhms
Resistance (160): Less Than 30 MilliOhms
Typ Frequency Response: 51.5 mHz at 3.3V
Delta Time: 569 ps
Capacitance: 1.01 pF (Average)
Inductance: 10 nH (Average)

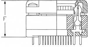
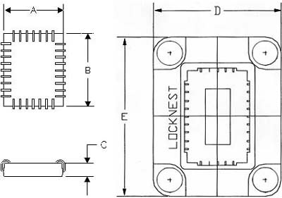
PRODUCT SPECIFICATIONS AND DIMENSIONS:

   
Pitch
Device Dimensions (in)
Socket Dimensions (in)
Part #
Pins
In.
mm.
Dim A
Dim B
Dim C
Dim D
Dim E
Dim F
P7028SP
28
0.050
1.27
0.490
0.490
0.170
0.880
0.880
0.740
P7032RP
32
0.050
1.27
0.490
0.590
0.130
0.890
0.890
0.740
P7044SP
44
0.050
1.27
0.690
0.690
0.170
1.100
1.100
0.740
P7052SP
52
0.050
1.27
0.790
0.790
0.170
1.200
1.200
0.740
P7068SP
68
0.050
1.27
0.990
0.990
0.170
1.400
1.400
0.740
P7084SP
84
0.050
1.27
1.190
1.190
0.170
1.590
1.590
0.740
 
Older Version - Still Available
 
P2718RP
18
0.050
1.27
.322
0.522
0.136
0.722
0.922
0.600
P2720SP
20
0.050
1.27
.390
0.390
0.175
0.780
0.780
0.600
P2728SP
28
0.050
1.27
.490
0.490
0.175
0.880
0.880
0.600
P2732RP
32
0.050
1.27
.490
0.590
0.130
0.890
0.990
0.600
P2744SP
44
0.050
1.27
.690
0.690
0.175
1.100
1.100
0.600
P2752SP
52
0.050
1.27
.790
0.790
0.177
1.200
1.200
0.600
P2768SP
68
0.050
1.27
.990
0.990
0.175
1.400
1.400
0.650
P2784SP
84
0.050
1.27
.190
1.190
0.175
1.590
1.590
0.650
P2100SP
100
0.050
1.27
.390
1.390
0.187
1.790
1.790
0.650

DETAIL DRAWINGS



↑Top 


深圳得技通电子有限公司 版权所有  
 Email:        sale3-djt@aaa.cn
联系电话: 0755-83681104      0755- 83681644 传真: 0755-83681644
粤ICP备09055445号-3