得技通电子

设为首页  加入收藏

热线电话

0755-83681104

0755-83681644

0755-83681447

首页 关于我们 新闻动态 产品中心 在线订购 在线留言 联系我们
   当前位置:首页>> Plastronics测试座 >> SSOP 测试插座/老化测试座
          PLASTRONICS产品
封装分类
 相关产品
PLASTRONICS 最新新闻
暂无
PLASTRONICS 最新
下载
暂无
相关知识
返回首页
 

 

PLASTRONICS SSOP封装测试座/老化座SSOP Test &Burn-in socke

Lead Tip Contacting(SSOP) Sockets
PRODUCT FEATURES:

  • True Zero Insertion Force (ZIF) Socket
  • Design simplicity
  • Optimal airflow during burn-in
  • Automated or manual loading
  • Timely delivery
  • Device probing and testing through open top design
  • Trapped contacts
  • Compact size

MATERIAL SPECIFICATIONS:

Contacts
Material: Beryllium-Copper
Plating: Nickel / Boron
Temperature Rating: 150
Solder Tail Section: 0.64 [0.025] x 0.20 [0.008]
Solder Tail Length: 3.43 [0.135]

Plastic Parts
Material: 40% Glass-Filled PPS
Temperature Rating: 175 Continuous
Insulation Resistance: 1x1013 Ohms / Mil

Coil Springs
Material: Passivated S.S.
Temperature Rating: 290 Continuous

Rivets
Material: Brass, Nickel Plated
Temperature Rating: 175 Continuous
s

Normal Force
Range To Be Expected: 55 Grams / Contact

Life Cycling
Life To Be Expected: 25,000 Cycles

Cap Compression
Depends on Pin Count (Available By Request)

Electrical Tests
Resistance: Less Than 30 MilliOhms @ 10 mA

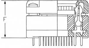
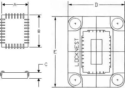
PRODUCT SPECIFICATIONS AND DIMENSIONS:

   
Pitch
Device Dimensions (in)
Socket Dimensions (in)
Part #
Pins
In.
mm.
Dim A
Dim B
Dim C
Dim D
Dim E
Dim F
P2120SO
20
0.0256
0.65
0.291
0.209
0.069
0.706
0.808
0.591
P2024SO
24
0.0250
0.64
0.155
0.342
0.064
0.636
0.742
0.590
P2124SO
24
0.0256
0.65
0.307
0.220
0.590
0.706
0.808
0.591
P2034SO
34
0.0400
1.02
0.300
0.710
0.100
0.806
1.120
0.590
P2036SO
36
0.0315
0.80
0.300
0.595
0.091
0.860
1.045
0.650
P2044SO
44
0.0315
0.80
0.300
0.720
0.097
0.860
1.170
0.650
P2048SO
48
0.0250
0.64
0.295
0.630
0.098
0.806
1.140
0.590
P2056SO
56
0.0250
0.64
0.295
0.730
0.098
0.806
1.140
0.590

DETAIL DRAWINGS



↑Top 


深圳得技通电子有限公司 版权所有  
 Email:        sale3-djt@aaa.cn
联系电话: 0755-83681104      0755- 83681644 传真: 0755-83681644
粤ICP备09055445号-3