得技通电子

设为首页  加入收藏

热线电话

0755-83681104

0755-83681644

首页 关于我们 新闻动态 产品中心 在线订购 在线留言 联系我们
   当前位置:首页 >> ENPLAS 测试座/插座封装分类 >> OQN封装
 ENPLAS产品
相关产品
封装分类

BGA测试座/烧录座

QFN测试座/烧录座

ENPLAS 新闻
ENPLAS 下载
ENPLAS相关知识
go back返回首页

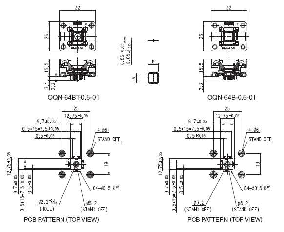
ENPLAS OQN封装测试座/老化座OQN Test &Burn-in socket

OQN封装测试座/老化座 OQN
OQN

OQN Socket Line up 0.5mm Pitch Series nit: mm

PART NO.
PIN COUNT
A
B
Type
OQN-44B-0.5-01
     
B
OQN-44BT-0.5-01
44
7
7
BT
OQN-48B-0.5-01
     
B
OQN-48BT-0.5-01
48
7
7
BT
OQN-48(64)B-0.5-01
     
B
OQN-48(64)BT-0.5-01
48
9
9
BT
OQN-64B-0.5-01
     
B
OQN-64BT-0.5-01
64
9
9
BT

OQN Socket Line up 0.65mm Pitch Series >Unit: mm

PART NO.
PIN CONT
A
B
TYPE
OQN-32B-0.65-01
32
7
7
B
OQN-32BT-0.65-01
BT
OQN-44B-0.65-01
44
9
9
B
OQN-44BT-0.65-01
BT


深圳得技通电子有限公司 版权所有  
 Email:        sale3-djt@aaa.cn
联系电话: 0755-83681104      0755- 83681644 传真: 0755-83681644
粤ICP备09055445号-3